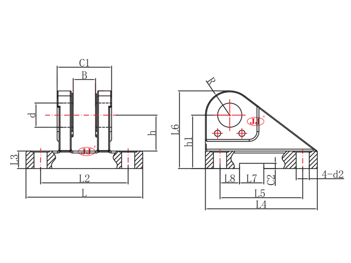
油缸耳环
|
型号
|
C1(h16)
|
L7(N9)
|
L
|
L4
|
d(H9)
|
h1(js13)
|
h
|
L2(js13)
|
L5(js13)
|
L8(JS14)
|
R
|
d2(H13)
|
B(A13)
|
C2+0.3
|
载荷kN
|
重量Kg
|
库存
|
|
JKB10
|
24
|
8
|
56
|
60
|
10
|
32
|
22
|
39
|
44
|
10
|
10
|
6.6
|
10
|
3.3
|
5
|
0.31
|
√
|
|
JKB12
|
28
|
10
|
72
|
65
|
12
|
34
|
22
|
52
|
45
|
10
|
12
|
9
|
12
|
3.3
|
8
|
0.55
|
√
|
|
JKB16
|
36
|
16
|
90
|
80
|
16
|
40
|
27
|
65
|
55
|
10
|
16
|
11
|
16
|
4.3
|
12.5
|
0.9
|
√
|
|
JKB20
|
45
|
16
|
100
|
95
|
20
|
45
|
30
|
75
|
70
|
10
|
20
|
11
|
20
|
4.3
|
20
|
1.5
|
√
|
|
JKB25
|
56
|
25
|
120
|
115
|
25
|
55
|
37
|
90
|
85
|
10
|
25
|
13.5
|
25
|
5.4
|
32
|
2.7
|
√
|
|
JKB32
|
70
|
25
|
145
|
145
|
32
|
65
|
43
|
110
|
110
|
6
|
32
|
17.5
|
32
|
5.4
|
50
|
4.5
|
√
|
|
JKB40
|
90
|
36
|
185
|
170
|
40
|
76
|
52
|
140
|
125
|
6
|
40
|
22
|
40
|
8.4
|
80
|
8.5
|
√
|