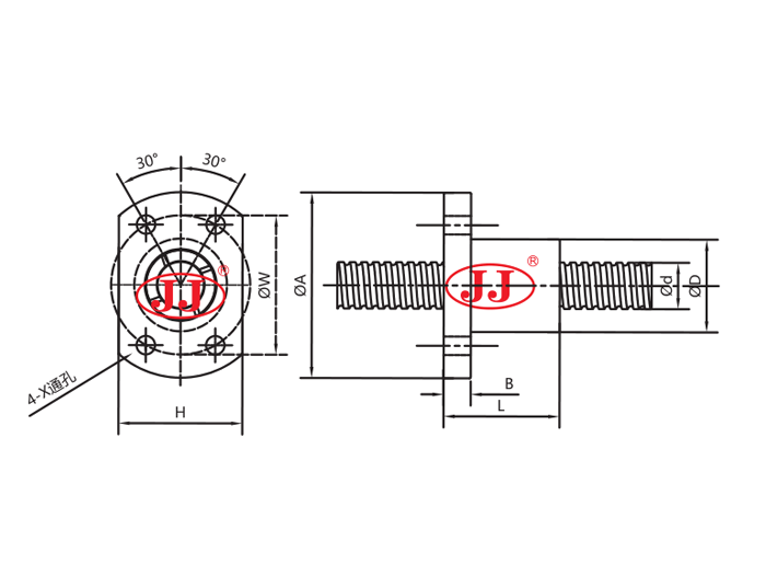
滚珠丝杆
SFK系列 > SFK0401...SFK2502
|
名称(型号)
|
d
|
l
|
Da
|
D
|
A
|
B
|
L
|
W
|
H
|
X
|
Y
|
Z
|
Q
|
n
|
Ca
|
Coa
|
k
|
库存STOCK
|
|
SFK0401
|
4
|
1
|
0.8
|
10
|
20
|
3
|
12
|
15
|
14
|
2.9
|
-
|
-
|
-
|
1×2
|
64
|
97
|
5
|
√
|
|
SFK0601
|
6
|
1
|
0.8
|
12
|
24
|
3.5
|
15
|
18
|
16
|
3.4
|
-
|
-
|
-
|
1×3
|
111
|
224
|
9
|
√
|
|
SFK0801
|
8
|
1
|
0.8
|
14
|
27
|
4
|
16
|
21
|
18
|
3.4
|
-
|
-
|
-
|
1×4
|
161
|
403
|
14
|
√
|
|
SFK0802
|
8
|
2
|
1.2
|
14
|
27
|
4
|
16
|
21
|
18
|
3.4
|
-
|
-
|
-
|
1×3
|
222
|
458
|
13
|
√
|
|
SFK0802.5
|
8
|
2.5
|
1.2
|
16
|
29
|
4
|
26
|
23
|
20
|
3.4
|
-
|
-
|
-
|
1×3
|
221
|
457
|
13
|
√
|
|
SFK1002
|
10
|
2
|
1.2
|
18
|
35
|
5
|
28
|
27
|
22
|
4.5
|
-
|
-
|
-
|
1×3
|
243
|
569
|
15
|
√
|
|
SFK1004
|
10
|
4
|
2
|
26
|
46
|
10
|
34
|
36
|
28
|
4.5
|
8
|
4.5
|
M6
|
1×3
|
468
|
905
|
17
|
√
|
|
SFK1202
|
12
|
2
|
1.2
|
20
|
37
|
5
|
28
|
29
|
24
|
4.5
|
-
|
-
|
-
|
1×4
|
334
|
906
|
22
|
√
|
|
SFK1402
|
14
|
2
|
1.2
|
21
|
40
|
6
|
23
|
31
|
26
|
5.5
|
-
|
-
|
-
|
1×4
|
354
|
1053
|
24
|
√
|
|
SFK1602
|
16
|
2
|
1.2
|
25
|
43
|
10
|
40
|
35
|
29
|
5.5
|
-
|
-
|
M6
|
1×4
|
373
|
1200
|
26
|
√
|
|
SFK2002
|
20
|
2
|
1.2
|
50
|
80
|
15
|
55
|
65
|
68
|
6.5
|
10.5
|
6
|
M6
|
1×6
|
581
|
2284
|
48
|
√
|
|
SFK2502
|
25
|
2
|
1.2
|
50
|
80
|
13
|
43
|
65
|
68
|
6.5
|
10.5
|
6
|
M6
|
1×5
|
540
|
2381
|
46
|
√
|